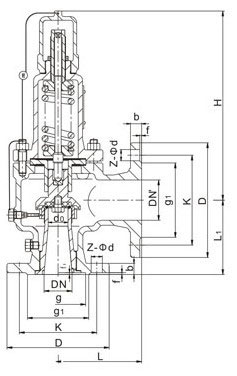
淮安液化气安全阀A42F介绍:
AH42F、A42F液化石油气安全阀、安全回流阀适用于工作温度在-40~80℃的液化石油气的液相出口管上,当进出口压差0.5MPa时液化石油气能自动回流入罐。

淮安液化气安全阀A42F零件材料:
NO. | 零件名称 | AH42F-C A42F-C 材料 |
1 | 阀座 | 2Cr13 |
2 | 阀体 | WCB |
3 | 调节圈 | 2Cr13 |
4 | 反冲盘 | 2Cr13 |
5 | 阀瓣 | 2Cr13+PTFE |
6 | 导向套 | 2Cr13 |
7 | 阀盖 | ZG230-450 |
8 | 弹簧 | 50CrVA |
9 | 阀杆 | 2Cr13 |
10 | 调整螺杆 | 45 |
11 | 阀帽 | ZG200-400 |

当前位置:


